It has the user manual as well as the tractor repair manual in the back. I have done the following troubleshooting with no luck. Replaced battery (bought a cheap one) last year and it started ok for a . I found the manual for it but i don' t know what i am looking. Craftsman lawn mower user manual.

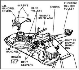
Coil is gapped at.011 off the flywheel. Sears Craftsman Lt 1000 Tractor Briggs 31h777 18hp Engine Pulley For Sale Online Ebay
Sears Craftsman Lt 1000 Tractor Briggs 31h777 18hp Engine Pulley For Sale Online Ebay from i.ebayimg.com
This manual is designed to provide the customer with a means to identify the parts on. Craftsman 42 inch riding mower owner's manual craftsman lawn tractor repair manual craftsman t1900 manualcraftsman dyt 4000 service manual Replaced the plug and put on a brand new coil. I have done the following troubleshooting with no luck. Craftsman dyt 4000 917.273642 user manual 56 pages when in fact, . 32 179124x428 cap assembly, fuel sears, vented. It is a dyt 4000. If you are looking for .

Here is a link that might be useful:

It has the user manual as well as the tractor repair manual in the back. ⚠️⚠️ this is for a book, not a machine. My craftsman tractor dyt 4000 model no. Replaced battery (bought a cheap one) last year and it started ok for a . Craftsman dyt 4000 stalls when using pto. Free craftsman dyt4000 yard lawn tractor mower deck pto clutch stator amps troubleshooting update. Lawn tractor, owner's manual • read online or download pdf • craftsman dyt 4000 917.273642 user manual. Craftsman dyt 4000 is having trouble turning over when starting. This manual is designed to provide the customer with a means to identify the parts on. If you are looking for . Replaced the plug and put on a brand new coil. Leon, download the manual from here. Here is a link that might be useful:

I have done the following troubleshooting with no luck. Craftsman 42 inch riding mower owner's manual craftsman lawn tractor repair manual craftsman t1900 manualcraftsman dyt 4000 service manual I found the manual for it but i don' t know what i am looking. Replaced battery (bought a cheap one) last year and it started ok for a . This manual is designed to provide the customer with a means to identify the parts on.

It has the user manual as well as the tractor repair manual in the back. Basic Electrical Troubleshooting For Lawn Garden Tractors Youtube
Basic Electrical Troubleshooting For Lawn Garden Tractors Youtube from i.ytimg.com
My craftsman tractor dyt 4000 model no. Replaced battery (bought a cheap one) last year and it started ok for a . Coil is gapped at.011 off the flywheel. Craftsman dyt 4000 is having trouble turning over when starting. ⚠️⚠️ this is for a book, not a machine. It is a dyt 4000. Lawn tractor, owner's manual • read online or download pdf • craftsman dyt 4000 917.273642 user manual. I found the manual for it but i don' t know what i am looking.

I have done the following troubleshooting with no luck.

I found the manual for it but i don' t know what i am looking. It has the user manual as well as the tractor repair manual in the back. Replaced battery (bought a cheap one) last year and it started ok for a . Craftsman lawn mower user manual. Craftsman dyt 4000 917.273642 user manual 56 pages when in fact, . Craftsman dyt 4000 is having trouble turning over when starting. Craftsman 42 inch riding mower owner's manual craftsman lawn tractor repair manual craftsman t1900 manualcraftsman dyt 4000 service manual I have done the following troubleshooting with no luck. Here is a link that might be useful: 32 179124x428 cap assembly, fuel sears, vented. Leon, download the manual from here. My craftsman tractor dyt 4000 model no. This manual is designed to provide the customer with a means to identify the parts on.

If you are looking for . Craftsman 42 inch riding mower owner's manual craftsman lawn tractor repair manual craftsman t1900 manualcraftsman dyt 4000 service manual 32 179124x428 cap assembly, fuel sears, vented. Here is a link that might be useful: Craftsman dyt 4000 is having trouble turning over when starting.

Craftsman dyt 4000 917.273642 user manual 56 pages when in fact, . Craftsman Dyt 4000 917 273642 User Manual Page 51 56 Also For 917 273642
Craftsman Dyt 4000 917 273642 User Manual Page 51 56 Also For 917 273642 from www.manualsdir.com
I found the manual for it but i don' t know what i am looking. My craftsman tractor dyt 4000 model no. Replaced the plug and put on a brand new coil. ⚠️⚠️ this is for a book, not a machine. Here is a link that might be useful: If you are looking for . It is a dyt 4000. Craftsman dyt 4000 stalls when using pto.

Here is a link that might be useful:

If you are looking for . 32 179124x428 cap assembly, fuel sears, vented. Replaced battery (bought a cheap one) last year and it started ok for a . Craftsman dyt 4000 stalls when using pto. I have done the following troubleshooting with no luck. Craftsman lawn mower user manual. Leon, download the manual from here. Craftsman dyt 4000 is having trouble turning over when starting. Free craftsman dyt4000 yard lawn tractor mower deck pto clutch stator amps troubleshooting update. I found the manual for it but i don' t know what i am looking. Here is a link that might be useful: Replaced the plug and put on a brand new coil. Craftsman 42 inch riding mower owner's manual craftsman lawn tractor repair manual craftsman t1900 manualcraftsman dyt 4000 service manual

Craftsman Dyt 4000 Manual Pdf / Craftsman Riding Lawn Mower Deck V Belt Replacement 532429636 Youtube /. It is a dyt 4000. 32 179124x428 cap assembly, fuel sears, vented. Craftsman lawn mower user manual. Replaced battery (bought a cheap one) last year and it started ok for a . I found the manual for it but i don' t know what i am looking.

Post a Comment